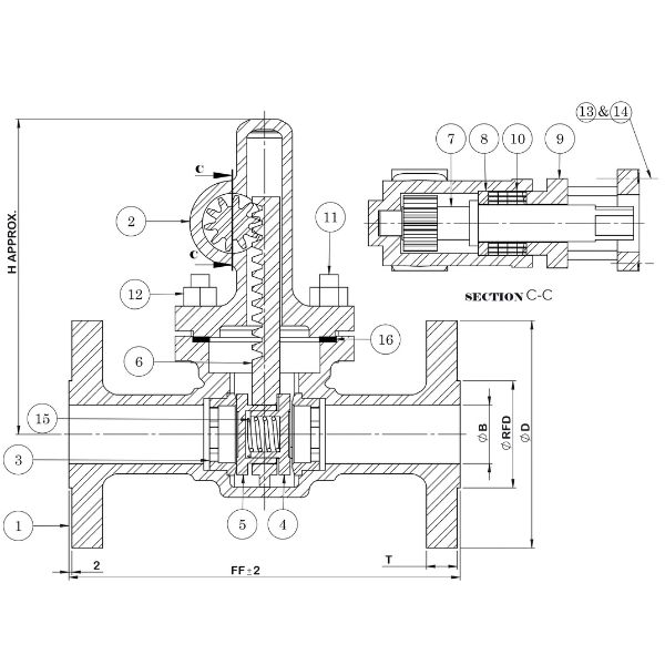
Description
- NETA Cast Steel (ASTM A216 Gr. WCB) Parallel Slide Blow Off Valve
- With 13% Cr.(S.S. 410)+ Stellite facing trim parts
- Rack and Pinion Operated with Operating Key
- Flanged Ends as per ASME B16.5 Class-300 RF
Test Pressure
Max. BOP : 350 PSIG
Max. Working Temperature : 425°C
Test Pressure : 700 PSIG Hyd.
Design Features
- These Valves embody the advantage and operation of Parallel Slide Valves offering unobstructed straight through full way flow area.
- The spring sandwiched between the two discs keeps the faces in sliding contact when under zero or low pressure conditions and thus removes any dirt or foreign matter from the contact faces.
- Effective closure is achieved by the up stream pressure forcing the disc face at the outlet end against its mating body seat.
- Operating Rack and Pinion arrangement gives full opening with half a turn of the operating key.
- The pinion is provided with a stop which limits the rotary movement and eliminates straining of the tooth on rack and pinion.
Certification
IBR Test Certificate in FORM III-C duly signed by the Director of Boilers, Punjab is provided.
Application
Steam, Water
HSN
84818010



